1024线阵红外探测器
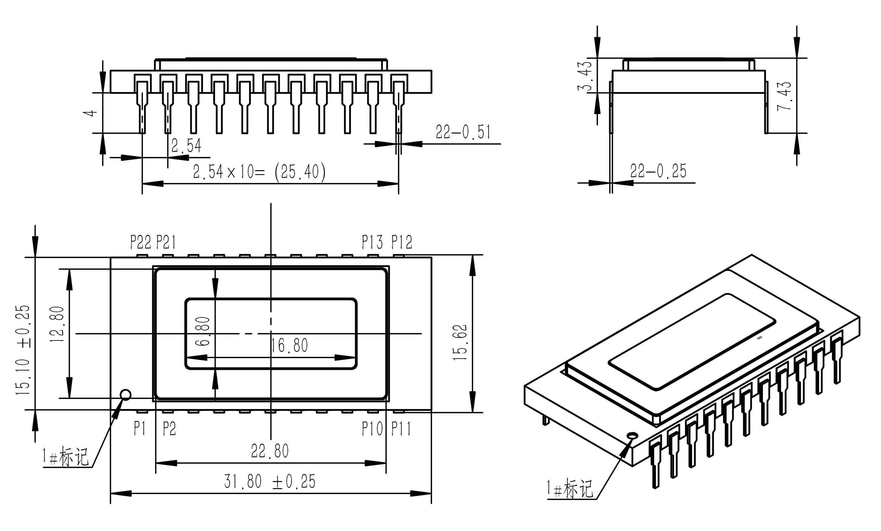
1024×1 CQDs 线阵探测器主要组成部分包括高效能CQDs 感光层、读出电路(ROIC)、以及其封装。它采用了陶瓷类型的封装技术。此探测器运用了尖端的红外量子点薄膜作为感光材料,能够提供高性价比短波探测器方案。该款探测器采用陶瓷封装形式,充常压高纯氮气作为保护气,窗口使用的蓝宝石材质窗口片,探测器内外环境整体密封。探测器外形尺寸为31.8mm(L) ×15.62mm(W) ×7.43mm(H)。管壳上包含有22 根针脚从底部引出,采用双边单排形状。引脚的主要功用为探测器的电源与时序信号输入、探测器的光电信号输出、指示信号输出和温度传感器的电学引出。
光谱响应范围:800 - 1700 阵列规格:1024×1 峰值量子效率:40% 峰值比探测率:1×10¹¹
光谱响应范围
800 - 1700
峰值量子效率
40%
峰值比探测率
1×10¹¹
有效像元率
99.5%
响应非均匀性
8%
曝光方式
快照(SNAPSHOT)
读出方式
边积分边读出(IWR)
增益档级
4 级
读出速率
15
读出通道数
4 路模拟输出
半导体制冷片
内置
动态范围
≥55
阵列规格
1024×1
长×宽×高
31.8×15.62×7.43
像元中心间距
12.5
像元尺寸
12.5×270
感光面积
12.8×0.27
存储温度
-40~+70
功率*¹
≤350mW
工作温度
-40~+70
温度循环、震动测试标准
GJB 548B-2005

该款探测器内置1024×1 阵列规模的CQDs 线阵探测器,像元中心距12.5μm,形状为矩形,感光尺寸为12.5μm×270μm。探测器感光面与封装管壳结构的上表面设计距离为 1.98±0.15mm,与窗口下表面设计距离值为1.45±0.15mm。窗口材料为蓝宝石,表面镀膜为800nm 前截止膜。感光面中心位于探测器中心,相对位置偏移≤0.05mm,相对旋转≤角度0.5°。探测器中心于光窗中心重合。